Veröffentlichungen

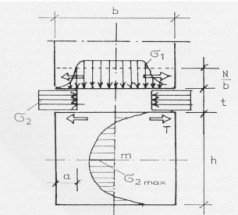
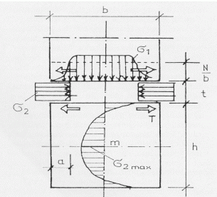
Zentrier- und Trennlage

Wolfram Jäger Prof. Dr.-Ing.1,

Ahmad Sabha Dr.-Ing.2

Mauerwerk; Volume 11, Issue 4, pages 199–206, August 2007

Bautechnik, Volume 83, Issue 8, August 2006, Pages: 550–554, Ahmad Sabha

Article first published online : 31 JUL 2006, DOI: 10.1002/bate.200610047

Theoretischen Analysen der Tragfähigkeit von schlanken knickgefährdeten Bauteilen liegen Differentialgleichungen oder numerische Verfahren zur Ableitung der Tragfähigkeitsabminderung zugrunde. Die analytische Lösung von Hansen [4] liefert, mit ähnlichen Annahmen wie Haller [2], ein Nachweiskonzept mit direkter Ableitung der Ausmitte-Krümmung-Beziehung sowie der Tragfähigkeit für lineare und nichtlineare Spannungsverteilung im Querschnitt. Im vorliegenden Beitrag wird auf dem gleichen Lösungsweg die Tragfähigkeit mit der Annahme eines Spannungsblocks ermittelt. Mittels Grenzbedingungen wird zwischen gerissenem und ungerissenem Querschnitt unterschieden. Eine weitere Grenzbedingung definiert, ob der Querschnitt im Knick- oder Drucktragfähigkeitsbereich liegt. Je nach Fall und Bereich wird die Tragfähigkeitsabminderung direkt berechnet.

Bearing capacity of slender compression members in concrete and masonry.

Theoretical analysis about the bearing capacity of slender structural members use for the derivation of the bearing capacity reduction factors differential equation or numerical analysis. The analytical formulation by Hansen [4] delivers with similar assumptions as by Haller [2] a design concept with direct derivation of the eccentricity-curvature relation and the bearing capacity for linear and non-linear stress distribution in the section. In this paper the bearing capacity with rectangular stress distribution in the section has been derived in similar way. Using the limit term it's able to differ between cracked and uncracked sections. Another limit term defines, whether the section is in the buckling or the compression area. Depending on state and area the bearing capacity can be calculated directly.

On the compressed side of the section it can lead to material softening. The stress decrees at the edge enlarge the curvature of the column and reduce bearing capacity.

Vergleich zwischen den Abminderungsfaktoren nach Sabha mit der Approximation nach DIN 1054-100 und Versuchsergebnissen nach [1].

[1] Auswertung durchgeführter Versuche zum Stabilitätsverhalten von Mauerwerkswänden zwecks verallgemeinerter Aussagen zur Präzisierung der Mauerwerksvorschriften, Institut für Baustoffkunde und Materialprüfung der Universität Hannover, Forschungsbericht T 2627, IRB Verlag, 1994

Am gedrückten Querschnittsrand kann es zur Entfestigung kommen. Der Abbau der Randspannungen führt zur weiteren Krümmung des Stabes und demzufolge zur weiteren Tragfähigkeitsabminderung.

Die Berechnung mit einem Spannungsblock bzw. einer Rechteckverteilung der Spannung im Querschnitt wird von Hansen [316] als starr-plastisches Materialverhalten behandelt. Dabei wird der Spannungsblock auf die ungerissene Strecke im Querschnitt gesetzt, wodurch die Verknüpfung zwischen Spannung und Dehnung verloren geht bzw. Wirkung und Widerstand liegen auf unterschiedlichen Achsen, siehe Bild 3.16.c. Auch Glock [219] trifft diesbezüglich die gleichen Annahmen und kommt zur gleichen Aussage für starr- plastisches Materialverhalten.

linear nichtlinear starr- plastisch Spannungsblock

Die Annahme eines Spannungsblocks, die in den meisten Normen zu finden ist, legt aber kein starr-plastisches Materialverhalten zugrunde. Diese Annahme stellt lediglich eine Vereinfachung zur Berücksichtigung der nichtlinearen Spannungsverteilung im Querschnitt dar. Dieser Spannungsblock wird auf eine Breite gesetzt, so dass Widerstand und Wirkung auf einer Linie bleiben.

Ein theoretisches Modell zum Tragverhalten von Elbsandsteinmauerwerk

Ahmad Sabha, Günther Pöschel

Jahrbuch 1993, Sonderforschungsbereich 315 Universität Karlsruhe

Im vorliegenden Beitrag wird ein Modell des Tragver-haltens (Bruchmodell) für den Tragfähigkeitsnachweis von historischem Natursteinmauerwerk vorgestellt. Die Anwendungsbreite sind vorerst auf typische Mauerwerksformen von historischen Bauten aus Elbsandstein begrenzt. Diese sind im Wesentlichen durch Quadermauerwerk und Fugenmaterial aus Kalkmörtel geringerer Festigkeit gekennzeichnet. Nach einem kurzen Überblick über die bisher gewonnenen Versuchsergebnisse und über Erkenntnisse aus Spannungsanalysen durch FEM-Berechnungen wird in den Gleichungen (1) bis (10) eine Beziehung (9) zur Berechnung der Mauerwerksfestigkeit in Abhängigkeit vom Verhältnis Fugendicke zu Steinbreite und den Stein- bzw. Mörtelfestigkeiten abgeleitet. Das Bruchmodell geht vom Steinversagen aus. Der Grundgedanke lässt sich folgendermaßen zusammenfassen:

Nach dem Ausbröckeln des Mörtels im Randbereich entsteht in der Kernzone ein mehrachsiger Spannungszustand. Dies ergibt eine Teilflächenspannung und somit Spaltzugspannungen in der Steinmitte.

Der Versagenspunkt ist der Schnittpunkt zwischen dem Versagenskriterium von Stein und dem Spannungspfad, welcher aus dem Spannungszustand an der Stelle maximaler Spaltzugspannungen ermittelt wird.

Untersuchungen zum Tragverhalten von Mauerwerk aus Elbsandstein

Ahmad Sabha, Ingolf Schöne, Bautechnik, Heft 3, 1994

Die Tragfähigkeit des Mauerwerks ist maßgeblich von der Druckfestigkeit des Mörtels, der Druckfestigkeit des Steines und dessen Zugfestigkeit abhängig.

Das Dehnungsverhalten des Steines und des Mörtels übt einen wesentlich geringeren Einfluss aus. Der unter erhöhter Druckspannung liegende Mörtel im Randbereich wird zuerst plastiziert. Durch diesen Vorgang und die dabei entstehende Volumenzunahme herrscht im mittleren Bereich des Mörtels ein hydrostatischer Spannungszustand, welcher das Versagen des Mörtels begrenzt. Dies führt zur Teilflächenpressung, die das Aufspalten des Steines verursacht.

Investigation into the Structural Behaviour of Natural Stone Masonry

Ahmad Sabha, Third International Masonry Conference, London 1994

The investigation deals with the structural behaviour of ashlar-like masonry and the determination of its bearing capacity. The use of the elastic characteristics in an elastic analysis leads to transverse tensile stresses that are considerably lower than the tensile strength of the stone. This demonstrates the limitations of this stress-deformation model. In order to clarify the real behaviour of the combination of stone and mortar, an investigation into die structural and fracture behaviour of the masonry would also be necessary.

Theoretical Model of the Structural Behaviour of stone masonry

Ahmad Sabha, The Forth International Masonry Conference

The structural behaviour of masonry is inadequately described in many codes and design methods. In these methods the calculated bearing capacity does not conform with the experiments. This paper presents recent research results on the structural behaviour of masonry with ashlar sandstone. The work is divided into theoretical, numerical and experimental analysis. These support each other in justifying the assumptions which are needed to formulate the derived equation of masonry bearing capacity.

Eccentrically Loaded Historic Masonry

Ahmad Sabha

Fifth International Masonry Conference

The proof of structural safety for historic masonry buildings and the evaluation of their bearing capacity according to current codes leads often to underestimation of their actual existing strength. In order to avoid this underestimation a new masonry strength formulation is needed, in which more influential parameters can be considered. Therefore, because concentrically loaded masonry is an abstract form, it is necessary to investigate the structural behaviour of masonry under eccentric loading. FEM-Analysis can help to understand the structural behaviour. The experimental investigations are the base to build a theoretical model of structural behaviour and to formulate the bearing capacity of eccentrically loaded historical masonry. The comparison between the theoretically expected failure stress and the test results show an acceptable validity of the newapproach. The suggested reductionfactor is only valid for eccentricities with bending out-of-plane and for one-unit masonry.

Untersuchungen mehrschaligen Mauerwerks

Ahmad Sabha, Jahrbuch 1996, Sonderforschungsbereich 315 Universität Karlsruhe

Mehrschaliges Mauerwerk wurde in historischen Bauwerken mit großer Vielfalt bezüglich Material- und Geometrieverhältnissen verwendet. Für die Beurteilung des statisch-konstruktiven Verhaltens ist es empfehlenswert die Untersuchung auf Grenzfälle zu beschränken.

Die in dieser Arbeit untersuchte Mauerwerkskonstruktion besteht aus zwei Außenschalen mit glatter Rückseite und kohäsiver Füllschicht. Die Außenschalen wurden im Läuferverband gemauert. Die Versuchskörper wurden zentrisch belastet, wobei die drei Schalen einer gleichmäßigen Verformung ausgesetzt wurden. Die untersuchten Einflussparameter waren die Steifigkeits- und Dickenverhältnisse zwischen Füllung und Außenschalen. Der Bruch trat immer in den Außenschalen durch Druckversagen auf. Eine Ausmittigkeit in der Außenschale infolge der Querbelastung aus der Füllung konnte zwar festgestellt werden, war aber vernachlässigbar gering.

Durch die niedrige Druckfestigkeit der Füllung wurde das Tragverhalten und die Tragfähigkeit des mehrschaligen Mauerwerks maßgeblich von der Tragfähigkeit der Außenschalen beeinflusst. Es wird empfohlen, die Tragfähigkeit der mehrschaligen Wandkonstruktion über die Tragfähigkeit der Füllung und eine abgeminderte Tragfähigkeit der Außenschalen zu bestimmen.

Zum Tragverhalten des Wand-Decken-Knotens eines Hohlwand-Hohldecken-Systems

Ahmad Sabha, Eberhard Berndt

Beton- und Stahlbetonbau 86 (1991), H. 7

Die Weiterentwicklung der Montage-Wandkonstruktion auf der Grundlage von Hohlelementen ermöglicht größere Deckenspannweiten und dadurch eine wesentlich größere Flexibilität für die Tragwerksplanung und Nutzung von Gebäuden. Noch immer sind für diese Systeme die Knotentragfähigkeiten nicht eindeutig definiert worden.

Die Arbeit unterbreitet einen Ansatz zur Einschätzung dieser wichtigen statischen Problematik unter Bezug auf die Tragfähigkeit der Hohlwand sowie der geometrischen und statisch-konstruktiven Ausbildung der Knotenvarianten.

Wirklichkeitsnahe Berechnung zur Ermittlung der Ringankerkräfte in einer Massivdecke Dr.-Ing. Ahmad Sabha

Beitrag zur Forschungsarbeit von Dr.-Ing. Peter Liebau

Assessment of the loadbearing capacity of historic masonry

A. Sabha, C. Neuwald-Burg

Structural Studies, Repairs and Maintenance of Historical Buildings VI, WIT-PRESS, 1999

Historic masonry differs from modern masonry by construction and material. The assessment of its loadbearing capacity therefore needs a particular approach. Technical guidelines are neither available nor desirable, because each monument requires an individual solution. The focus of this paper is to show a sensitive procedure to analyse strength and loadbearing behaviour of existing masonry, which may be applied in most cases. Special attention is paid to a suitable safety concept for existing structures. Possible ways to assess masonry strength under concentric and eccentric compression are demonstrated. The loadbearing behaviour of different types of masonry, single and multiple leaf walls, is described. The paper also deals with sampling and testing material from historic masonry in order to assess the characteristic values needed inthe analysis. The reflections are based on experimental work carried out on masonry pillars and multiple leaf masonry samples, as well as on finite element analysis.

Influence of the unit height on the structural behaviour of masonry

Ahmad Sabha, Andreas Weigert

Jahrbuch 1995, Sonderforschungsbereich 315 Universität Karlsruhe

The aim of this engineering numerical research work is to establish an improved understanding of structural behaviour and assessment of bearing capacity. In this way the current structural ”state-of-health” of old masonry can be selectivly itemised, so that intervention in the fabric can be done to best advantage or even completly ruled out.

The associated stone and mortar tensile, compressive strength and relative sizes of the stones and joints bear important interrelationhips as also the relative thickness of the stone to the mortar bed. In this work the last mentioned parameters will be isolated; so by maintenance of a constant stone width to bed joint thickness, the stone thickness will be varied (relative to bed-joint). Parallel finite element exercises for determination of stress distribution in the stone and mortar are carried out, as parametric studies, for a range of models of differing proportions of stone to bedjoint thickness. The assembled theoretical data can then be confirmed by practical experimental work.

lt is possible to explain structural behaviour of masonry from varying the stone thickness in a variety of wall models. However certification of bearing capacity according to some geometry relationship to the stone proportions is not at a stage for application in practice. Therefore a formula will be proposed for the analytical determination of masonry strength, which is valid for most cases.

Sicherungsverfahren zur Sanierung von Stützmauern

Patent: Ahmad Sabha und Lutz Vogt

Mehrschaliges Mauerwerk mit lockerem Kern

Claudia Neuwald-Burg, Ahmad Sabha, Lutz Vogt

Jahrbuch 1993, Sonderforschungsbereich 315 Universität Karlsruhe

Die Beurteilung der Tragfähigkeit und die Auswahl eines geeigneten Instand-setzungsverfahrens für mehrschaliges Mauerwerk stellt den Denkmalpfleger besonders dann vor große Probleme, wenn das Kernmauerwerk allein wenig standsicher erscheint. Dieser Fall ist nicht selten: sei es, dass der Kern als Trockenmauerwerk gänzlich ohne Mörtel errichtet wurde, oder dass ein ursprünglich fester Mörtel infolge von Wasserzutritt, Frost- und Tauwirkung seinen Zusammenhang verloren hat. Das Spannungs-Dehnungs-Verhalten eines solchen Füllmaterials, das die Tragwirkung des Mauerquerschnittes mitbestimmt, ähnelt eher dem eines Lockergesteins als dem von Mauerwerk. Charakterisiert wird es vor allem durch das Fehlen eines elastischen Anteils. Vielmehr sind auch kleine Verformungen bereits irreversibel. Bereits ein geringes Nachgeben der Außenschalen erlaubt ein Nachsacken der Füllung.

In den häufigsten Fällen sind nur Teile eines Mauerabschnittes von Gefügestörungen betroffen. Zonen lokaler Entfestigung werden meist erst im Schadensfall deutlich: Dann nämlich, wenn der von dem losen Füllgut ausgeübte Horizontaldruck von den Außenschalen nicht mehr aufgenommen werden kann (Abb. 3). Um die Standsicherheit eines bestehenden Mauerwerks dieses Typs ab­schätzen zu können, muss der Horizontaldruck quantifiziert werden. Auch für die Entwicklung geeigneter Erhal­tungsmaßnahmen müssen die aufzuneh­menden Kräfte möglichst genau ermittelt werden. Ein geeignetes Rechenverfahren existiert derzeit jedoch noch nicht. Vielmehr gibt es unter-schiedliche Modelle, die für Einzelfälle herangezogen werden.

Je nach Art des Füllmaterials kommen folgende Berechnungsverfahren in Betracht:

- Erddrucktheorie

- Silotheorie

- Kugelmodell.

m Folgenden werden diese Verfahren be­schrieben, ihre Voraussetzungen darge-stellt und die Anwendbarkeit für die gegebene Fragestellung experimentell untersucht. Ziel dieses Beitrags ist es, Grundlagen für eine Abschätzung der Tragfähigkeit mehrschaligen Mauerwerks mit kohäsionsloser Füllung zusammen-zustellen.

 

Experimentelle Untersuchungen zum Tragverhalten von einschaligem, exzentrisch gedrücktem Mauerwerk aus Elbsandstein

Ahmad Sabha, Günther Pöschel, Frank Purtak

Jahrbuch 1994, Sonderforschungsbereich 315 Universität Karlsruhe

Im vorliegenden Beitrag, der sich mit der experimentellen Untersuchung von exzentrisch gedrücktem Quadermauerwerk aus sächsischem Sandstein befasst, wurden der Einfluss von Mörtelfestigkeit und Lagerfugendicke auf die Tragfähigkeit untersucht und graphisch dargestellt. Die wesentlichen Ergebnisse lassen sich wie folgt zusammenfassen:

Bei Wandbreiten von 20 cm und geringer Fugendicke fällt die Querschnittstragfähigkeit unabhängig von der Mörtelfestigkeit infolge exzentrischer gegenüber zentrischer Belastung, für e = d/6 auf zwei Drittel und für e = d/3 auf ein Drittel. Bei größeren Fugendicken und Mörtelgruppe I ist die Querschnittstragfähigkeit bereits bei e = d/3

nicht mehr gegeben.
Druckversion | Sitemap
Diese Homepage wurde von TWPL Ingenieurbüro für Tragwerkplanung Dr.-Ing. A. Sabha erstellt.